產品詳情
圖片集錦
產品說明
◎加熱熱源有蒸汽、電、電蒸汽兩用型三種方式。
◎使用溫度:蒸汽加熱50-140℃,^高150℃;電加熱50-350℃;
◎溫度實行自動控制,并且有記錄儀記錄;
◎箱體內壁均滿焊,各過渡處均采用圓弧過渡,無死角。
◎整機密封性好,獨特的導軌密封裝置,保證了整機的密封性;
◎進風口配套高效空氣過濾器;排濕口配套中效空氣過濾器。
◎雙開門烘箱雙門實現機械聯鎖;
◎烘箱內各零部件均可快速拆卸、快速安裝,以方便清洗;
◎控制系統備有文本顯示器、觸摸屏可供選擇;
整機符合“GMP”要求。
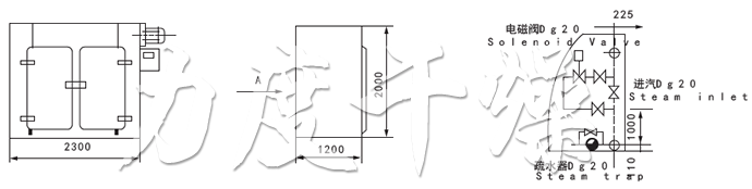
安裝示意圖

技術規格
| 型號規格 | 每次干燥量(kg) | 風機功率(kw) | 耗用蒸氣(kg/h) | 烘車((輛)(set) | 烘盤(只) | 寬×深×高(mm) | 上下溫度(℃) |
| GMP-O | 35 | 0.45 | 8 | / | 16 | 1130×1100×1750 |
±2 |
| GMP-I | 120 | 0.45 | 18 | 2 | 48 | 2300×1200×2000 |
±2 |
| GMP-II | 240 | 0.9 | 36 | 4 | 96 | 2300×2200×2000 |
±2 |
| GMP-III | 360 | 1.35 | 54 | 6 | 144 | 3430×2200×2000 |
±2 |
| GMP-IV | 480 | 1.8 | 72 | 8 | 192 | 4460×2200×2290 |
±2 |
暫無相關的案例...
上一條:CT-C系列熱風循環烘箱
下一條:XF系列臥式沸騰干燥機
相關文章
- 2025-12-11 > 力度干燥——如何選擇不同的噴霧干燥機
- 2025-12-09 > 力度干燥——多種流化床干燥機的應用及工作原理分析!
- 2025-12-06 > 力度干燥——混合輸送真空干燥工藝
- 2025-12-04 > 力度干燥——高剪切濕法制粒工藝!
- 2025-12-04 > 力度干燥——臥式真空圓盤干燥機,護色保香不破壞
- 2025-12-04 > 力度干燥——殼聚糖噴霧干燥機!
- 2025-12-03 > 力度干燥——復合麥片滾筒刮板干燥機!
- 2025-12-02 > 力度干燥——實驗室小批量干燥利器,圓形真空干燥機
- 2025-12-02 > 力度干燥——低溫高效干物料,真空耙式顯實力
- 2025-11-27 > 力度干燥——制藥專用噴霧干燥機:低溫真空工藝,益生菌活性超 90%
相關產品




